Orders are typically delivered to Malaysia within 4 days depending on location.
Free delivery to Malaysia on orders of RM216 or more. A delivery charge of RM88 will be billed on all orders less than RM216.
UPS, FedEx or DHL freight pre-paid: CPT (Duty, customs, and taxes due at time of delivery) Credit card payments only.
![]()
![]()
![]()


More Products From Fully Authorized Partners
Average Time to Ship 1-3 Days, extra ship charges may apply. Please see product page, cart, and checkout for actual ship speed.
Incoterms: CPT (Duty, customs, and applicable VAT/Tax due at time of delivery)
For more information visit Help & Support
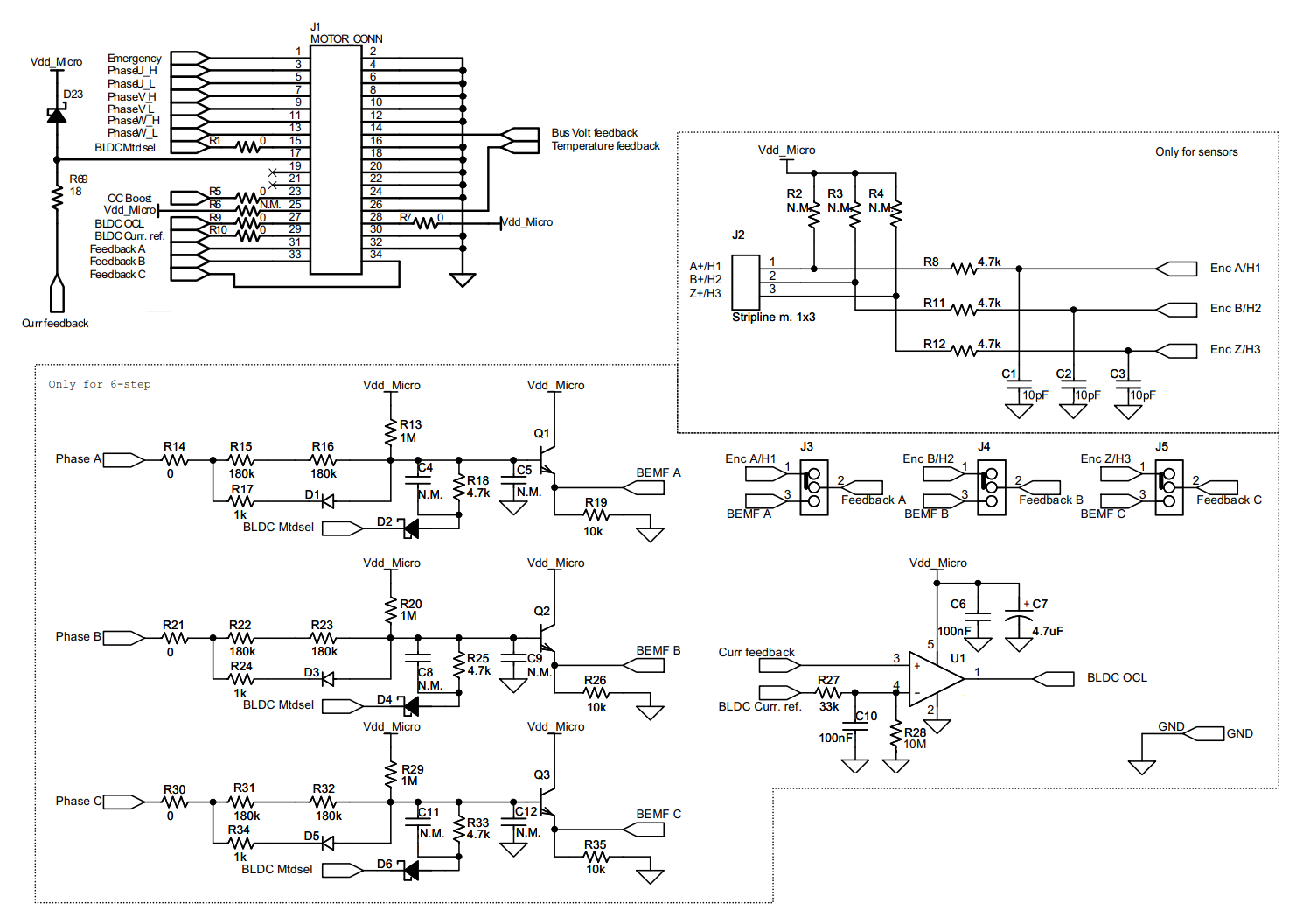
The STEVAL-IHM035V2 3-phase high voltage inverter power board features the STGIPN3H60 (SLLIMM™-nano) for both field-oriented control (FOC) of permanent magnet synchronous motors (PMSM) and trapezoidal scalar control of brushless DC (BLDC) motors, this 3-phase inverter is designed to perform both the FOC of sinusoidal-shaped back-EMF PMSMs and trapezoidal control of BLDC motors with or without sensors, with nominal power up to 100 W. The flexible, open, high-performance design consists of a 3-phase inverter bridge based on:
The STGIPN3H60 SLLIMM™-nano (small low-loss intelligent molded module) IPM, 3 A -600 V 3-phase IGBT inverter bridge
The VIPer16 fixed frequency VIPer™ plus family
The system is specifically designed to achieve fast and accurate conditioning of the current feedback, thereby matching the requirements typical of high-end applications such as field oriented motor control. The board is compatible with 110 and 230 Vac mains, and includes a power supply stage with the VIPer16 to generate the +15 V and the +3.3 V (or optionally the +5 V) supply voltage required by the application. Finally, the board can be interfaced with the STM3210xx-EVAL (STM32 microcontroller evaluation board), through a dedicated connector.
| Manufacturer | STMicroelectronics |
|---|---|
| Category | Motor Control |
| Eval Board Part Number | 497-14512-ND |
| Eval Board Supplier | STMicroelectronics |
| Eval Board |
Normally In Stock
|
| Voltage In |
30 ~ 270 VAC
40 ~ 380 VDC |
| Number of Motors and Type |
1, 3-Ph BLDC Motor
1, 3-Ph BLDC, Sensorless 1, 3-Ph PMSM Motor 1, 3-Ph PMSM, Sensorlesss |
| Power / Current Out |
100 W
|
| Features |
Current Limit (Adj. or Fixed)
Current Sensing Encoder Input GUI / Design Software Hall Input Over Current Protection Sensorless Control (FOC) Sinewave Output Thermal Protection Trapezoidal Output Under Voltage Protection, Brown-Out |
| Component Count + Extras |
116 + 42
|
| Application / Target Market |
Motor Control
White Goods |
| Design Author |
STMicroelectronics
|
| Main I.C. Base Part |
STGIPN3H60
|
| Date Created By Author | 2014-12 |
| Date Added To Library | 2020-01 |
Co-Browse
By using the Co-Browse feature, you are agreeing to allow a support representative from DigiKey to view your browser remotely. When the Co-Browse window opens, give the session ID that is located in the toolbar to the representative.
DigiKey respects your right to privacy. For more information please see our Privacy Notice and Cookie Notice.
Yes, Continue to Co-BrowseGet fast and accurate answers from DigiKey's Technicians and Experienced Engineers on our TechForum.
Please visit the Help & Support area of our website to find information regarding ordering, shipping, delivery and more.
Registered users can track orders from their account dropdown, or click here. *Order Status may take 12 hours to update after initial order is placed.
Users can begin the returns process by starting with our Returns Page.
Quotes can be created by registered users in myLists.
Visit the Registration Page and enter the required information. You will receive an email confirmation when your registration is complete.
Orders are typically delivered to Malaysia within 4 days depending on location.
Free delivery to Malaysia on orders of RM216 or more. A delivery charge of RM88 will be billed on all orders less than RM216.
UPS, FedEx or DHL freight pre-paid: CPT (Duty, customs, and taxes due at time of delivery) Credit card payments only.
![]()
![]()
![]()


More Products From Fully Authorized Partners
Average Time to Ship 1-3 Days, extra ship charges may apply. Please see product page, cart, and checkout for actual ship speed.
Incoterms: CPT (Duty, customs, and applicable VAT/Tax due at time of delivery)
For more information visit Help & Support
Thank you!
Keep an eye on your inbox for news and updates from DigiKey!
Please enter an email address